Genauso ungewiss wie die wackelige Chipversorgung sind auch die Aussichten aspirierender Neuzugänge. Quelloffene Chip-Ökosysteme werfen ein Licht in den Tunnel. Also: Mit Open Source aus der Klemme? Oder sieht man da die Scheinwerfer einer heranrasenden Lokomotive?
Können Prozessoren, die nach Open-Source-Regeln erstellt werden, die diversen Unbill im Halbleitermarkt ausgleichen - von Lieferkettenproblemen bis zum Leerfegen des Markts durch die Hyperscaler?
(Bild: Maris - stock.adobe.com)
Die allgemeine Nachfrage nach Chips steigt weiter stark an, angetrieben hauptsächlich durch generative KI, aber auch die vielen anderen Nutzungsszenarien der digital-transformierten Wirtschaft, von vernetzten Fahrzeugen bis hin zu Steuerungssystemen der Industrie. Die Chips-Auslieferung kommt im Gegensatz dazu ins Stocken und die Hyperscaler kaufen den Markt leer.
Der Markt für Arbeitsspeicher ist gerade noch dabei, sich nach dem Rückgang des vergangenen Jahres (2023, minus 31 Prozent) mit Ach und Krach gerade einmal auf den Stand von 2022 zu erholen. Samsung und SK Hynix prognostizieren inzwischen einen Engpass für DRAM und NAND Flash im kommenden Jahr (2024). Die Hauptursache sei die steigende Nachfrage nach Server-Speicher, insbesondere im KI-Segment, wo HBM-Chips (High Bandwidth Memory) und DDR ins Spiel kommen.
An Möchtegerne-Newcomern, also aufstrebenden Chip-Anbietern, mangelt es eigentlich nicht. Nur müssen diese Unternehmen bei ihrem Markteintritt prohibitive Hürden bewältigen.
Hier treffen nämlich die explodierende Komplexität der Chip-Architekturen, umständliche Design-Workflows und die begrenzte Verfügbarkeit von hochqualifizierten Fachkräften aufeinander. Dieser Engpass bremst die Fähigkeit der wenigen Marktakteure, mit dem Bedarf Schritt zu halten.
Kürzlich berichtete der US-Sender „CNBC“, dass der CEO OpenAI-CEO, Sam Altman, eine Investition ansteuere, die auf bis zu 7 Billionen Dollar anwachsen könnte. Damit will er ein neues Projekt finanzieren, das darauf abzielt, die Kapazitäten der weltweiten Halbleiterindustrie zur Herstellung von KI-Chips zu erweitern.
Shelly Palmer ist Professor, CEO of The Palmer Group, Autor und zählt auch hierzulande zu den Top-Stimmen, was IT angeht.
(Bild: Shelly Palmer)
Der US-Kommentator Shelly Palmer schrieb daraufhin: „Diese Initiative wird als Reaktion auf das derzeitige Angebots- und Nachfrageproblem auf dem KI-Chipmarkt gesehen, wo die Nachfrage von KI-Unternehmen (einschließlich OpenAI) das verfügbare Angebot bei weitem übersteigt. Die Knappheit an KI-Chips ist ein Engpass, der das Wachstum dieser Unternehmen einschränkt, die auf diese Chips angewiesen sind, um große Sprachmodelle (wie ChatGPT) zu trainieren.“
Palmer fragte sich zudem: „Ich bin mir nicht sicher, wie Sam auf die Zahl von 7 Billionen Dollar gekommen ist. Das ist mehr Geld als die Marktkapitalisierung der größten Technologieunternehmen der Welt zusammen.“ Selbst wenn in Rechnung gestellt würde, dass die Herstellung von Chips extrem kapitalintensiv sei und KI ist ein superchiphungriges Geschäft, sei die Summe doch eher absurd und keinesfalls ein Garant für eine 7-Billionen-Dollar-Lieferkette. (uo)
Startups und Akademia tun sich gleichermaßen schwer damit, selbst ihre besten Ideen in Silikon zu verwirklichen. Die Chips bleiben oft in der Entwurfsphase stecken.
Das liebe Geld
„Früher war die Serienfertigung von Chips das Teuerste an der ganzen Sache“, erklärt Professor David Wentzlaff von der Princeton University. Bei modernen Chips habe sich der Kostenschwerpunkt jedoch hin zum Design verschoben.
Waren einst die Herstellungskosten der limitierende Faktor, so sind es heute die Ausgaben für den Entwurf von Chips, darunter die Erforschung von herausragenden Designmerkmalen, ihre Integration in eine effiziente Architektur und die Überprüfung der Funktionsfähigkeit des Siliziums. Insbesondere die Kosten der so genannten Verifizierung seien in den letzten Jahren nach oben geklettert – wesentlich schneller als jene der Serienfertigung.
Der Chip-Wahnsinn - das Meta-Beispiel
Kürzlich skizzierte Meta-CEO Mark Zuckerberg in knapp zwei Minuten, wohin sein Unternehmen steuern sollte. Zu den Plänen gehört auch, ein KI-System aus rund 600.000 Nvidia-GPUs aufzubauen.
Die Ankündigung war eine aktualisierte Roadmap der KI-Pläne von Meta, die sich um die kommende Lange Language-Familie des Konzerns „Llama3“ dreht, die derzeit trainiert wird. Sie soll die Nachfolge der letztjährigen Llama2-Modelle und Tokenizer antreten, die mit insgesamt knapp 2 Millionen Downloads auf „Huggingface“ ein großer Erfolg waren. Außerdem haben Open-Source-Entwickler auch Tausende von Llama2-Forks veröffentlicht.
Llama3 ist aber nicht das einzige Large Language Modell, das derzeit trainiert und somit neu entwickelt wird. Das Meta-LLM konkurriert etwa mit dem kürzlich veröffentlichten „Gemini“-Modell von Google sowie mit „GPT-4“ und dem kommenden „GPT-5“-Modell von OpenAI.
Ein einzelner Auftrag
Doch alleine die Meta-Pläne sorgen für eine enorme Chip-Nachfrage: „Wir werden etwa 350.000 ‚Nvidia H100‘ oder etwa 600.000 H100-Äquivalente an Rechenleistung haben, wenn man andere GPUs einbezieht", so Zuckerberg. So wird Meta auch die „MI300X“-GPUs von AMD verwenden. Das US-Magazin „HPC Wire“ hat errechnet, dass die Gesamtzahl der GPUs bei Meta mehr als die Bevölkerung von etwa 70 Ländern umfassen wird.
Nvidia wird nächstes Jahr mit der Auslieferung der H200-GPUs beginnen, um die H100-GPUs zu ersetzen. Das nächste Wettrennen um die Top-Spezifikation wird beginnen. Denn auch 2023 konnten laut Vlad Galabov, Director Cloud and Data Center Research beim Analystenhaus Omdia, nur sehr wenig Firmen die jüngsten Spezifikation der Nvidia-GPUs in ihre Plattformen und Infrastrukturen einbauen.
Nebenbei bemerkt, ist insofern der Einbau von MI300X auch ein Erfolg für das Open Compute Projekt; denn die GPU nutzt das OCP-Modul, den OCP-Standard und die OCP-Plattform, was geholfen habe, die in „Rekordzeit“ zu implementieren, bemerkte Ajit Mathews, Senior Director of Engineering bei Meta im vergangenen Jahr.
Praktisch nur eine Handvoll Unternehmen konnten 2023 die jüngste Nvidia-GPU-Technik in ihre IT-Infrastruktur einbauen.
(Bild: Omdia)
Marktbeobachter registrieren derweil, dass Meta bereits Mega-Cluster mit Tausenden von Beschleunigern aufbaut und seine Rechenzentren neu organisiert. Das Netzwerk der Kerne ist als jeweils als Mesh organisiert, mit einer Bandbreite von 1 Terabyte pro Sekunde zwischen den Beschleunigern. Die Vision Zuckerbergs: der Aufbau einer künstlichen allgemeinen Intelligenz, eine digitale Version des menschlichen Gehirns. (uo)
Stand: 08.12.2025
Es ist für uns eine Selbstverständlichkeit, dass wir verantwortungsvoll mit Ihren personenbezogenen Daten umgehen. Sofern wir personenbezogene Daten von Ihnen erheben, verarbeiten wir diese unter Beachtung der geltenden Datenschutzvorschriften. Detaillierte Informationen finden Sie in unserer Datenschutzerklärung.
Einwilligung in die Verwendung von Daten zu Werbezwecken
Ich bin damit einverstanden, dass die Vogel IT-Medien GmbH, Max-Josef-Metzger-Straße 21, 86157 Augsburg, einschließlich aller mit ihr im Sinne der §§ 15 ff. AktG verbundenen Unternehmen (im weiteren: Vogel Communications Group) meine E-Mail-Adresse für die Zusendung von Newslettern und Werbung nutzt. Auflistungen der jeweils zugehörigen Unternehmen können hier abgerufen werden.
Der Newsletterinhalt erstreckt sich dabei auf Produkte und Dienstleistungen aller zuvor genannten Unternehmen, darunter beispielsweise Fachzeitschriften und Fachbücher, Veranstaltungen und Messen sowie veranstaltungsbezogene Produkte und Dienstleistungen, Print- und Digital-Mediaangebote und Services wie weitere (redaktionelle) Newsletter, Gewinnspiele, Lead-Kampagnen, Marktforschung im Online- und Offline-Bereich, fachspezifische Webportale und E-Learning-Angebote. Wenn auch meine persönliche Telefonnummer erhoben wurde, darf diese für die Unterbreitung von Angeboten der vorgenannten Produkte und Dienstleistungen der vorgenannten Unternehmen und Marktforschung genutzt werden.
Meine Einwilligung umfasst zudem die Verarbeitung meiner E-Mail-Adresse und Telefonnummer für den Datenabgleich zu Marketingzwecken mit ausgewählten Werbepartnern wie z.B. LinkedIN, Google und Meta. Hierfür darf die Vogel Communications Group die genannten Daten gehasht an Werbepartner übermitteln, die diese Daten dann nutzen, um feststellen zu können, ob ich ebenfalls Mitglied auf den besagten Werbepartnerportalen bin. Die Vogel Communications Group nutzt diese Funktion zu Zwecken des Retargeting (Upselling, Crossselling und Kundenbindung), der Generierung von sog. Lookalike Audiences zur Neukundengewinnung und als Ausschlussgrundlage für laufende Werbekampagnen. Weitere Informationen kann ich dem Abschnitt „Datenabgleich zu Marketingzwecken“ in der Datenschutzerklärung entnehmen.
Falls ich im Internet auf Portalen der Vogel Communications Group einschließlich deren mit ihr im Sinne der §§ 15 ff. AktG verbundenen Unternehmen geschützte Inhalte abrufe, muss ich mich mit weiteren Daten für den Zugang zu diesen Inhalten registrieren. Im Gegenzug für diesen gebührenlosen Zugang zu redaktionellen Inhalten dürfen meine Daten im Sinne dieser Einwilligung für die hier genannten Zwecke verwendet werden. Dies gilt nicht für den Datenabgleich zu Marketingzwecken.
Recht auf Widerruf
Mir ist bewusst, dass ich diese Einwilligung jederzeit für die Zukunft widerrufen kann. Durch meinen Widerruf wird die Rechtmäßigkeit der aufgrund meiner Einwilligung bis zum Widerruf erfolgten Verarbeitung nicht berührt. Um meinen Widerruf zu erklären, kann ich als eine Möglichkeit das unter https://contact.vogel.de abrufbare Kontaktformular nutzen. Sofern ich einzelne von mir abonnierte Newsletter nicht mehr erhalten möchte, kann ich darüber hinaus auch den am Ende eines Newsletters eingebundenen Abmeldelink anklicken. Weitere Informationen zu meinem Widerrufsrecht und dessen Ausübung sowie zu den Folgen meines Widerrufs finde ich in der Datenschutzerklärung.
Die Verifizierung von Chip-Designs ist einer der mühsamsten Prozesse in der gesamten Informatik. Sie hat zum Ziel, ein Chip-Design im Hinblick auf die Einhaltung der Spezifikationen und dann in der Praxis – auf Silizium – zu validieren, also zu überprüfen, ob der Prototyp wie gewünscht und wie gedacht funktioniert. Die steigende Komplexität und Vielfalt von Chip-Architekturen, insbesondere im Zusammenhang mit dem Aufkommen von Chiplets, treibt diese Kosten fast schon prohibitiv in die Höhe.
'Mal 'was RISC-ieren
Gemeinsame Bemühungen einiger Vordenker in der Halbleiterindustrie und in Akademia haben eine Open-Source-Bewegung ins Leben gerufen. Ähnlich wie bei Open-Source-Software, wo der Quellcode frei verfügbar und für jeden zugänglich ist, könnten offene Chip-Designs die Eintrittshürden senken und das Innovationstempo beschleunigen, war so der Gedanke. Die RISC-V-Gemeinde hat es ja auch schon erfolgreich vorgemacht.
Die Befehlssatzarchitektur RISC-V (eine ISA, kurz für Instruction Set Architecture), die von Forschern der UC Berkeley im Jahre 2011 als Open Source veröffentlicht wurde, hat in der Halbleiterindustrie Wellen geschlagen. RISC-V hat eine Gemeinschaft ins Leben gerufen und dazu angeregt, zusammenzuarbeiten, um die Spezifikation zu verbessern und zu erweitern.
Die offene Natur von RISC-V ermöglicht es auch heute noch kleineren Marktakteuren, kompatible Prozessoren und Elemente dieser Chips zu entwickeln und zu vertreiben. RISC-V hat die Markteintrittsschranken insbesondere für kleinere Marktteilnehmer gesenkt und die Kosten reduziert.
„Strategische Souveränität erfordert auch den Abbau kritischer Abhängigkeiten durch Zugang zu mehreren Alternativen – und gerade im Chip-Sektor haben wir gespürt, wie wichtig das ist“, so Jan Wörner, Präsident bei der Acatech (Deutsche Akademie der Technikwissenschaften).
(Bild: Acatech)
RISC-V erlaubt es, Chip-Designs zu erstellen, ohne Lizenzgebühren für die Nutzung der ISA zahlen zu müssen – im Gegensatz zu proprietären ISAs, die kleineren Chip-Anbietern sauer aufstoßen.
Der offene Standard RISC-V böte neue Möglichkeiten für die Forschung und könne zum Nährboden eines Innovations-Ökosystems werden, in dem Entwicklungen schneller zu wettbewerbsfähigen Innovationen heranreifen könnten, bestätigt Jan Wörner, Präsident bei acatech (der Deutschen Akademie der Technikwissenschaften).
Die Offenheit von RISC-V ermöglicht zudem eine tiefgreifende Anpassung und somit die Entwicklung von maßgeschneiderten Lösungen in verschiedenen Anwendungsbereichen, von eingebetteten Systemen bis hin zu KI-Chips in Hochleistungsrechnern. Dennoch konnte die ISA im Massenmarkt bisher nicht zu ARM und x86 aufholen. Branchenbeobachter erwarten, dass RISC-V in den kommenden Jahren noch weitreichendere Anwendungen finden dürfte, darunter in Rechenzentren und in Raumfahrttechnik.
Ed Nutting, CTO beim britischen Startup Vypercore, will die Ergebnisse seiner Forschung im Bereich der Speicherzuweisungsverwaltung in RISC-V implementieren, um Speichersicherheit auf der Hardware-Ebene zu erzwingen.
(Bild: Vypercore)
Ein „fabless“ Prozessor-Startup namens Vypercore mit Sitz in Bristol, England, hat rund 5 Millionen Dollar an Startkapital für seine Pläne zur Entwicklung einer neuartigen Prozessortechnologie eingesammelt. Auf Basis der RISC-V-Architektur will es den Markt für Arbeitsspeicher revolutionieren.
Die Chinesische Akademie der Wissenschaften hat gerade noch im Jahre 2023 einen neuen Hochleistungsprozessor auf Basis der RISC-V-Architektur und ein neues Betriebssystem entwickelt. Der Prozessor trägt die Bezeichnung „Xiangshan“, das Betriebssystem „Aolai“. Diese Entwicklungen sind Teil von Chinas Bestreben, ein offenes Chip-Ökosystem zu schaffen. Weitere dürften folgen.
Die Chips Alliance
Obwohl die Lizenzfreiheit von RISC-V einige Einstiegshürden senkte, vermochte sie die Kostenspirale der Chip-Entwicklung und -Verifizierung nicht zu stoppen.
Dennoch: Einen weiteren Stein brachte die Chips Alliance mit ihrer Entstehung ins Rollen. Diese Tochterorganisation der gemeinnützigen Linux Foundation hat sich der Förderung von Open Source im Chip-Design verschrieben und konnte seit ihrer Entstehung im März 2019 ein lebhaftes Ökosystem für Open-Source-Chip-Design aufbauen. Zu den Mitgliedern der Chip-Alliance zählt die Crème de la crème der Halbleiterindustrie, von AMD und Google über Infineon und Intel, Nvidia, Microsoft bis hin zu Siemens und Xilinx.
Die Chips Alliance fördert die Entwicklung von Open-Source-Designs „Chip-haltiger“ Hardware in einer offenen und kollaborativen Umgebung. Im Rahmen verschiedener Projekte können Unternehmen und Einzelpersonen gemeinsam an Prozessoren, aber auch verschiedenen Peripheriegeräten, komplexen IP-Blöcken, Softwarewerkzeugen und Workflows tüfteln.
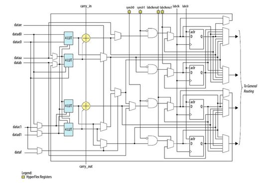
Teil eines FPGA-Architekturdiagramms mit 4 x 4LUT-(LookUp-Tables): Diese Diagramme zeigen die interne Konfiguration von FPGA-Komponenten mit Logikblöcken und ihren Verbindungen, um zu veranschaulichen, wie das FPGA auf Hardware-Ebene organisiert ist und funktioniert.
(Bild: F4PGA)
Aktuelle Projekte der CHips Alliance unterstützen verschiedene Aspekte der Chip- und Systementwicklung, von Design-Tools über Verifizierungs-Frameworks bis hin zu Spezifikationen für Interoperabilität. Initiativen mit dem Status „Graduated Projects“ füllen bereits eine lange Liste:
Caliptra (verfügbar auf Github): Hier entsteht Hard- und Software-IP für den Caliptra Root of Trust, ein kritisches Fundament für die Sicherheitsarchitektur von Systemen in einer Vielzahl von Anwendungen, von IoT-Geräten bis hin zu komplexen Rechensystemen, welches kritische Sicherheitsfunktionen wie Authentifizierung, Integritätsprüfung und Verschlüsselung innerhalb von Hardware- und Software-Umgebungen bereitstellt.
F4PGA: F4PGA ist eine quelloffene anbieteragnostische Toolchain für die Entwicklung von FPGAs (aktuell: „Xilinx 7“-Series, „Lattice iCE40“, „Lattice ECP5“ FPGAs, „Quicklogic EOS S3“); sie soll in Zukunft einen umfassenden End-to-End FPGA-Synthesefluss ermöglichen.
„FPGA Interchange Format“: Ein Format für FPGA-Geräte und -Designs, das die Interoperabilität zwischen verschiedenen FPGA-Design-Tools durch einen herstellerunabhängigen Beschreibungsstandard ermöglicht.
„FPGA Tool Perf“: Ein Benchmarking-Framework für FPGA-Toolchains, das die Leistung verschiedener FPGA-Design-Tools vergleicht.
„Intel Compiler for SystemC“: Ein Übersetzungswerkzeug von SystemC zu SystemVerilog, welches die Hardware-Modellierung und -Simulation erleichtert, indem es die Nutzung von SystemC-Modellen in SV-Umgebungen ermöglicht.
„Omnixtend“: Ein Cache-Kohärenz-Framework für RISC-V auf der Basis des „Tilelink“-Protokolls für eine kohärente Speicherarchitektur über verschiedene Komponenten hinweg.
„OpenFASOC“: Automatisiert die Generierung analoger Blöcke, integriert mit Tools wie „OpenROAD“, um den Entwurfsprozess zu vereinfachen.
„RISCV-DV“: Ein Verifizierungswerkzeug für RISC-V-Prozessoren, unterstützt durch zufällige Instruktionsgenerierung und Compliance-Checks.
„Rocketchip“: Ein SoC-Generator, der den RISC-V Rocket Core und zugehörige Komponenten instanziiert, für die schnelle Prototypisierung von SoCs.
„Surelog“ und „UHDM“: Ein SystemVerilog-Preprozessor und Parser (Surelog) sowie ein Hardware-Datenmodell (UHDM) für die SV-Entwicklung.
„SV Tests“: Ein Testframework für SystemVerilog, das die Unterstützung verschiedener SV-Spezifikationen in Open-Source-Tools überprüft.
„Verible“: Ein Parser und Toolset für SystemVerilog mit Stil-Linting, Formatierung und weiteren Tools.
Somit können Projekte der Chips Alliance eine breite Palette von Komponenten abdecken, von CPUs und SoCs (System on Chips) bis hin zur Peripherie. Das Ziel bestehe dabei darin, zu gewährleisten, dass die Entwürfe frei verfügbar und anpassbar sind. Was damit dann passiert, steht auf einem anderen Blatt.
Mit Open Source-Designs aus der Klemme? Das Kleingedruckte
Unternehmen und Forschungseinrichtungen, die an der Chips Alliance teilnehmen oder ihre Open-Source-Chip-Designs nutzen, steht es nämlich frei, auf Basis dieser Open-Source-Designs proprietäre Lösungen zu erstellen oder die Open-Source-Designs in solche zu integrieren.
Die Designs dürfen unter Open-Source-Lizenzen modifiziert und geteilt werden, aber die daraus weiterentwickelten Produkte sind trotzdem proprietär schutzfähig, wenn sie zusätzliche Funktionen oder Optimierungen beinhalten. Die jeweiligen IP-Eigentümer brauchen deswegen noch lange nicht ihre Errungenschaften mit der Gemeinde zu teilen, wenn sie diese doch lieber unter proprietären Lizenzen schützen möchten.
Skywater integriert in seiner Architektur das eingebettete „ReRAM“ der israelischen Weebit Nano und einen RISC-V-Microkontroller. Dies markiert einen bedeutenden Meilenstein auf dem Weg zur Kommerzialisierung von ReRAM.
(Bild: Skywater)
Open-Source-Designs dienen somit als Ausgangspunkt für proprietäre Lösungen, die den Unternehmen, die sie weiterentwickeln, einzigartige Wettbewerbsvorteile bieten. Diese proprietären Errungenschaften fließen aber nicht automatisch in die Open-Source-Entwürfe zurück.
Dieser Ansatz schafft für die Industrie Anreize, auch mal das Kriegsbeil zu begraben, um gemeinsame Probleme gemeinsam zu lösen. Diese „Spielregeln“ spornen die einzelnen Marktakteure aber auch dazu an, selbst zu innovieren, damit man seine Erfindungen ja auch schützen darf. Wer seine Entwicklungen am erfolgsreichsten vermarktet, gewinnt. Das kommt dann den Anwendern zugute.
Dank der Finanzierung vom US-Verteidigungsministerium in dreistelliger Millionenhöhe entwickelt Skywater strahlungsresistente Mikrochips und kann jetzt auch für andere Organisationen entwickeln und für andere Chip-Designhäuser fertigen, Stichwort: Technologie as a Service.
(Bild: Skywater)
Quelloffene Softwareprojekte unter der Obhut der Linux Foundation haben den Ansatz als tragfähig bestätigt (siehe das Ökosystem Kubernetes). Jetzt kommt das „Aber“.
Die Fertigungskosten (einschließlich der Herstellung der Silizium-Wafer, Packaging und abschließender Qualitätskontrolle) mögen auf dem Weg in den Vertrieb keine entscheidende Rolle mehr spielen, nachdem ein Design als funktionsfähig bestätigt wurde. Doch die Fertigung – und damit die „Machbarkeit“ eines Designs im großen Maßstab – hängt noch von anderen Variablen ab, nicht zuletzt der Verfügbarkeit von Rohstoffen, konkret Seltenerdmetallen.
Mit Open Source hat sich diese spezielle Herausforderung nicht erledigt; ganz im Gegenteil: Sie könnte sich womöglich noch zuspitzen.
SMAPPIC
In diesem Kontext präsentiert die Arbeit von Professor David Wentzlaff und seinem Doktoranden Grigory Chirkov einen Hoffnungsschimmer. Ihre Open-Source-Plattform „SMAPPIC“ (@URL=””) will Forschern ermöglichen, mit neuen Designmerkmalen zu experimentieren und ihre Chips kostengünstig vorab zu simulieren.
Dieser Ansatz könnte einen Wendepunkt darstellen, nicht nur für die Demokratisierung des Chip-Designs, sondern auch für die Beschleunigung technologischer Innovationen. Die SMAPPIC-Plattform baut auf den Entwicklungen eines bereits 2015 gestarteten Open-Source-Projektes rund um Prozessordesign. Wentzlaffs Vision, komplexe Chips kosteneffizient zu konstruieren und zu testen – und das ohne die Notwendigkeit, teure Testhardware anzuschaffen – stellt einen erfrischend neuen Ansatz dar.
*Das Autorenduo:
Das Autorenduo besteht aus Anna Kobylinska und Filipe Pereia Martins. Die beiden arbeiten für McKinley Denali, Inc., USA.
Ihr Fazit lautet:Brancheninitiativen rund um quelloffenes Chip-Design deuten auf eine Verschiebung hin zu flexibleren und skalierbaren Entwicklungsmodellen. Für Startups und akademische Forschungseinrichtungen leuchtet damit ein Hoffnungsschimmer auf. Was im Falle von Software (der CNCF und weiteren Organisationen) und Datacenter-Infrastrukturen (etwa der OpenInfra Foundation) so reichlich Früchte trug, dürfte sicherlich auch im Falle von Chips funktionieren.
Für die Masssenmarktanbieter proprietärer (weil „aufgebohrter“) Chips auf der Basis quelloffener Designs dürfte sich jedoch der Zugang ihrer jeweiligen Fertigungsdienstleister zu produktionskritischen Seltenerdmetallen als der entscheidende Erfolgsfaktor herausstellen. Da wird es sicherlich Gewinner und Verlierer geben.